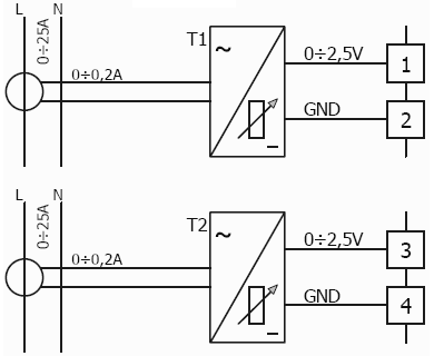
Das Modul IUC25 besteht aus zwei getrennten Ein- und Ausgängen. Es nimmt die abgegebene Leistung des Wechselstromverbrauchers auf und wandelt diesselbe in eine gleichgerichtete Spannung von 0-2,5V DC um. Seine Ausgangskennlinie von 0-2,5V ist proportional zum Eingangsstrom von 25A. Die Primär- und Sekundär-Schaltkreise sind mit geeigneten Stromwandlern voneinander getrennt. Ein Abgleichtrimmer für die Ausgangsspannung von 0-2,5V steht dem Anwender zur Verfügung. Das Modul ist auf eine Tragschiene montierbar. Seine Anwendung befindet sich in der Meßtechnik.
Technische Eigenschaften
- Wechselstrom: 25Amp.
- Ausgangsspannung: 2,5 V DC - kurzschlußfest
- Ausgangsstrom: 5mA max.
- Tolleranz: 0.8%
- Arbeitstemperatur: -20 ÷ +80 ° C
- Anschluß: Schraubklemmen bis 1,5mm²
- Montage: Tragschiene NS35 oder NS32
- Gehäuseabmessung LxTxH: 113 x 86.5 x 90mm
Art.-Nr.: 48-48-30
IUC25 Anschlussbelegung:



